-
Koszyk jest pusty
-
x
-
Koszyk jest pusty
-
x
-
Balustrada francuska z wypełnieniem poziomym 20x40mm SB-13/2
Balustrada francuska zabezpieczająca wykonana ze stali nierdzewnej pomalowanej proszkowo na dowolny kolor z palety RAL.
Rata 0% już od: / mc
| Opinie | |
| Wysyłka w ciągu | 10 dni roboczych |
| Dostępność |
produkt wykonywany na zamówienie
|
Zamówienie telefoniczne: 696668808
| Zostaw telefon |
- jedną sztukę balustrady francuskiej o wybranej szerokości oraz o wysokości 100 cm (inne wysokości wyceniane indywidualnie).
Uwaga! Do szerokości światła okna należy dodać po 15 cm na stronę (łącznie 30 cm) w celu bezpiecznego zamontowania balustrady. - dystanse elewacyjne - tylko przy wyborze opcji montażu balustrady na gotowej elewacji
- dedykowany zestaw montażowy - opcja dodatkowo płatna
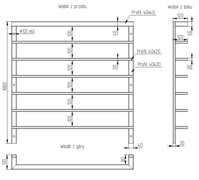
Balustrada francuska SB-13/2 jest w całości zespawana i dostarczana jako jeden gotowy element.
Zastosowany materiał - stal nierdzewna AISI 304 pomalowana proszkowo na wybrany kolor z palety RAL

- pochwyt: profil 40x40 mm
- wypełnienie poziome: profil 40x20 mm (20 mm od czoła)
- słupki pionowe: profil 40x20 mm
Efekt wizualny:
Nie wiesz jak będzie wyglądała Twoja balustrada po jej zamontowaniu. Efekt finalny uzależniony jest od tego czy balustrada zostanie zamontowana przed ociepleniem czy na gotowej już elewacji. Poniżej szczegóły - więcej zdjęć wraz ze zdjęciami z realizacji znajdziesz w galerii zdjęć produktu.
- WIDOK BALUSTRADY ZAMONTOWANEJ PRZED WYKONANYM OCIEPLENIEM

- WIDOK BALUSTRADY ZAMONTOWANEJ NA GOTOWEJ ELEWACJI

Głębokość całkowita balustrady:
Głębokośc całkowita balustrady uzależniona jest od tego czy balustrada będzie montowana przed ociepleniem czy na gotowej już elewacji.
- montaż przed ociepleniem o grubości 20 cm - głębokość całkowita balustrady 12 cm (dokumentacja techniczna w galerii zdjęć);
- montaż przed ociepleniem o grubości innej niż 20 cm - głębokość całkowita balustrady zostanie przez nas odpowiednio dopasowana;
- montaż na gotowej elewacji - istnieje możliwość indywidualnego dobrania głębokości balustrady. Minimalna głębokość wynosi 7 cm. Jeżeli interesuje Cię zakup balustrady o mniejszej niż 7 cm głębokości całkowitej, to kliknij tutaj.
Dystanse elewacyjne:
Przy wyborze opcji montażu balustrady na gotowej elewacji razem z balustradą otrzymasz dedykowane dystanse elewacyjne przeznaczone do montażu balustrad na wykonanej już elewacji. W celu dobrania odpowiednich dystansów wpisz grubość istniejącego ocieplenia budynku. Dystanse wykonywane są ze stali nierdzewnej AISI 304.
Zestaw montażowy:
Istnieje możliwość zamówienia balustrady razem z dedykowanym zestawem montażowym. Wiecęj informacji na temat zestawu montażowego, który otrzymasz, znajdziesz:
- tutaj⇒ zestaw montażowy do montażu przed wykonanym ociepleniem ZM-1
- tutaj⇒ zestaw montażowy do montażu na gotowej elewacji ZM-2
Balustrada francuska ze stali nierdzewnej pomalowanej proszkowo na wybrany kolor
Balustrada stalowa zewnętrzna SB-13/2 nie jest ocynkowana! Balustrada wykonywana jest ze stali nierdzewnej pomalowanej proszkowo na dowolny kolor z palety RAL. Wykonanie balustrad francuskich z wysokiej jakości stali nierdzewnej zapewnia wyjątkową wytrzymałość oraz odporność na czynniki atmosferyczne. Dzięki temu balustrady nie muszą być dodatkowo ocynkowane, a także zachowują swój estetyczny wygląd przez wiele lat bez konieczności kosztownej konserwacji. Stosowana przez nas stal nierdzewna jest stalą o wyższej wytrzymałości niż zwykła stal konstrukcyjna.
- UWAGA! Stosujemy stal nierdzewną AISI 304 - trwałą i odporną na rdzę, w przeciwieństwie do popularnej AISI 201, która nie zapewnia pełnej ochrony antykorozyjnej.
- Malowanie proszkowe sprawia, że balustrady stalowe są wytrzymałe, trwałe, odporne na korozję czy mechaniczne uszkodzenia.
- Uwaga! W procesie produkcyjnym wykorzystujemy profile o niewidocznych szwach, co w znaczący sposób wpływa na estetykę wykonania naszych produktów.
Cena obejmuje usługę wykonania balustrady francuskiej - bez usługi montażu. Interesuje Cię montaż? Odezwij się do nas. Usługa wyceniana jest indywidualnie. W celu zachowania odpowiednich norm i zasad bezpieczeństwa wymagany jest montaż przez osoby posiadające odpowiednie kwalifikacje.
Nie masz pomysłu na balustradę zewnętrzną bądź wewnętrzną do Twojego wnętrza? Odezwij się do nas! Zespół naszych specjalistów przygotuje propozycje dopasowane do Twojego wnętrza, a także Twoich gustów i preferencji. Pamiętaj! Ogranicza nas tylko Twoja i nasza wyobraźnia!!
Produkt wykonywany na zamówienie Kupującego.
| światło okna (cm) | szerokość całkowita balustrady (cm) |
| 50 | 80 |
| 60 | 90 |
| 70 | 100 |
| 80 | 110 |
| 90 | 120 |
| 100 | 130 |
| 110 | 140 |
| 120 | 150 |
| 130 | 160 |
| 140 | 170 |
| 150 | 180 |
| 160 | 190 |
| 170 | 200 |
| 180 | 210 |
| 190 | 220 |
| 200 | 230 |
| 210 | 240 |
| 220 | 250 |
| 230 | 260 |
| 240 | 270 |
| 250 | 280 |
| 260 | 290 |
| 270 | 300 |
| 280 | 310 |
| 290 | 320 |
| 300 | 330 |
| 310 | 340 |
| 320 | 350 |
| 330 | 360 |
| 340 | 370 |
| 350 | 380 |
Poniżej zdjęcia przykładowych realizacji:

- kolor czarny RAL 9005 mat - montaż balustrady na gotowej elewacji

- kolor antracyt RAL 7016 mat - montaż balustrady na gotowej elewacji

- kolor antracyt RAL 7016 mat - montaż balustrady przed wykonaniem elewacji/ocieplenia


Informacje dotyczące bezpieczeństwa
Lista ostrzeżeń dotyczących bezpieczeństwa balustrad oparta o wymagania Rozporządzenia (UE) 2023/988 w sprawie ogólnego bezpieczeństwa produktów (GPSR):
* Upewnij się, że balustrady są stabilnie zamocowane i nie wykazują żadnych oznak poluzowania lub uszkodzeń.
* Sprawdzaj regularnie stan balustrad, aby upewnić się, że nie ma ostrych krawędzi, zadrapań lub innych uszkodzeń, które mogą spowodować skaleczenia.
* Wybieraj balustrady wykonane z materiałów nietoksycznych i bezpiecznych dla zdrowia.
* Zabezpiecz balustrady przed korozją, stosując odpowiednie preparaty konserwujące.
* Zwróć uwagę na wysokość i rozmieszczenie balustrad, aby zapobiec wypadnięciu dzieci lub zwierząt domowych.
* Nie obciążaj nadmiernie balustrad, unikaj wieszania ciężkich przedmiotów lub opierania się o nie całym ciężarem ciała.
* Utrzymuj balustrady w czystości, regularnie usuwaj kurz i zabrudzenia.
* W przypadku balustrad szklanych używaj tylko szkła hartowanego lub laminowanego, aby zminimalizować ryzyko zranienia w przypadku pęknięcia.
* Jeśli balustrady znajdują się na zewnątrz, upewnij się, że są odporne na warunki atmosferyczne i nie ulegają degradacji pod wpływem wilgoci, promieniowania UV lub zmian temperatury.
* W przypadku montażu balustrad samodzielnie, postępuj zgodnie z instrukcją producenta i używaj odpowiednich narzędzi oraz elementów mocujących.
* W przypadku jakichkolwiek wątpliwości dotyczących bezpieczeństwa balustrad, skonsultuj się ze specjalistą lub producentem.
* Regularnie sprawdzaj stan połączeń i elementów mocujących.
* Upewnij się, że balustrady nie utrudniają dostępu do wyjść ewakuacyjnych.
* Zadbaj o odpowiednie oświetlenie schodów i balustrad, szczególnie w nocy.
* W przypadku balustrad z elementami dekoracyjnymi upewnij się, że nie stanowią one zagrożenia dla użytkowników.
* Upewnij się, że konstrukcja balustrady jest stabilna i nie chwieje się.
Dane producenta
Slavica Design
Marcinkowice 11
33-393 Marcinkowice
Poland
kontakt@slavicadesign.pl
